S64DB-12-135
  • S64DB-12-135 S64DB-12-135

S64DB-12-135

Mudel:S64DB-12-135

HCIC S64DB-12-135 hüdrosilindrid: Premium, kohandatavad valikud ülemaailmsetele tööstusostjatele. Usaldusväärsed tehnilised andmed, püsiv jõudlus, tehasest otsepakkumised – ideaalne ehitus-, kaevandus- ja põllumajandushangete jaoks.

  • Number Stages:

    4
  • Nominal Stage OD:

    6
  • Stroke:

    135
  • Closed:

    47.19
  • Open:

    182.19
  • Pin:

    1.75
  • Width:

    8

Saada päring

Tootekirjeldus

Tööstusseadmete ostjatele. See on HCIC S64DB-12-135 silindri teave. Põhispetsifikatsioonid, ehituskvaliteet, kasutuskoht, kohandatud teenused. Kõik praktiline. Ei mingit kohevust.


customizable hydraulic cylinders


parker multi-stage hydraulic cylinders


I. Põhiandmed: sobib enamiku paigaldustöödega


HCIC S64DB-12-135 = standarddisain. Töötab enamiku tööstusmasinate jaoks. Jõuülekanne, paigaldamine - probleeme pole.


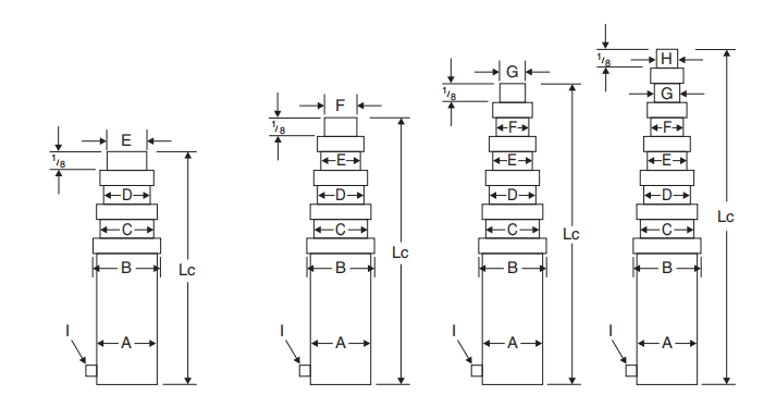
• Struktuuri mõõtmed:Välisläbimõõt 6. 4 etappi. Löök 135. Suletud pikkus 47,19. Pikendatud pikkus 182,19. Kompaktne. Sobib standardsetele masina kinnituspesadele.

• Paigaldamise ühilduvus:Tihvtide suurused 1,75 / 1,5. Sobib laiustele 8 / 2,69. Keevis, liigend - mõlemad töötavad. Enamik masinaid vajab nullmodifikatsiooni.

• Põhijõudlus:Standardne tööstuslik tihend. Sõidab tavatingimustes vahetpidamata. Vastab üldlevinud hüdraulilise rõhu standarditele.


heavy-duty hydraulic cylinders


II. Ehituskvaliteet: usaldusväärne, riketeta


Kontrollime iga sammu. Alates toorainest kuni saatmiseni. Otseteed puuduvad. Lihtsalt ühtlane kvaliteet.


(1). Tooraine:Tünn = 45 # õmblusteta terastoru. Kolvivarras = karastatud + kroomitud. Talub kulumist, talub roostet. Hea tavaliseks tööstuslikuks kasutamiseks.

(2). Töötlemine ja kokkupanek:Silindri sisesein = siledaks lihvitud. Kolb liigub ilma kinnijäämiseta. Tööstuslikud tihendid = vähem õlilekkeid.

(3). Kvaliteedikontroll:Iga silinder läbib 3 testi. Surve test. Insuldi test. Tihendi test. Salvestame kõik testiandmed. Ainult pass = laeva välja.

dump hydraulic cylinder

III. Rakendusstsenaariumid: sobib igat tüüpi varustusega


S64DB silindrid sobivad paljudele tööstusvaldkondadele. Masinate tugevad jõuosad.


• Ehitusmasinad:Ekskavaatorid, laadurid. Sobib noole- ja kopaajamitele. Käepidemed tõstavad, teleskoobid, pööravad. Sobib igapäevaseks ehitustööks.

• Metallurgia ja kaevandus:Ahju reguleerimine, purusti etteande juhtimine. Töötab rasketes keskkondades. Vastab põhilistele põllunõuetele.

• Põllumajandusmasinad:Külvikud, kombainid. Reguleerib külvisügavust, tõstab heedreid. Muudab põlluharimise tõhusamaks.

• Erivarustus:Muutke parameetreid. Sobib õhutõstukitele, prügipressidele. Põhiline toitetoetus — tehtud.


IV.KKK

Praktilised vastused teie küsimustele hüdrosilindri HCIC S64DB-12-135 kohta, sealhulgas tehnilised andmed, ühilduvus, kvaliteet ja kohandamine.

📏 Põhispetsifikatsioonid ja ühilduvus

K: Kas HCIC S64DB-12-135 silinder sobib minu standardsele tööstuslikule masinale ilma muudatusteta?

V: Absoluutselt. HCIC S64DB-12-135 on standardse disainiga hüdrosilinder, millel on kompaktsed konstruktsioonimõõtmed (välisdiameeter 6, suletud pikkus 47,19, pikendatud pikkus 182,19) ning ühilduvad tihvtide suurused (1,75 / 1,5) ja laiused (8 / 2,69). See sobib enamiku standardsete masina paigalduspesadega ning nii keevitus- kui hingekinnitustöödega – enamik tööstuslikke masinaid ei vaja selle paigaldamiseks jõuülekandeks või muudeks ülesanneteks nullmodiive.

K: Millised on HCIC S64DB-12-135 silindri peamised struktuuri- ja jõudlusnäitajad?

V: HCIC S64DB-12-135-l on 4 astet, 135-tolline käik, suletud pikkus 47,19 tolli ja pikendatud pikkus 182,19 tolli. See kasutab standardseid tööstuslikke tihendeid, töötab tavalistes tööstustingimustes pidevalt ja vastab üldlevinud hüdraulilise rõhu standarditele. Selle kompaktne disain muudab selle ideaalseks enamiku tööstusmasinate kitsastes paigalduskohtades.

K: Millised kinnitusvõimalused on HCIC S64DB-12-135 silindri jaoks saadaval?

V: See silinder toetab kahte levinud tööstuslikku kinnitusmeetodit: keevitus ja hinged. Sellel on ühilduvad tihvtide suurused (1,75 ja 1,5) ja see sobib masina standardlaiustele (8 ja 2,69), nii et saate selle paigaldada viisil, mis teie seadmetele kõige paremini sobib – enamiku masinate jaoks pole vaja kohandatud kinnitusadaptereid.

K: Kas HCIC S64DB-12-135 silinder suudab toime tulla pideva ja vahetu tööstusliku kasutamisega?

V: Jah. See on ehitatud standardsete tööstuslike tihenditega ja vastab üldlevinud hüdraulilise rõhu standarditele, mis võimaldab sellel tavalistes tööstustingimustes pidevalt töötada. Lihvitud sile silindri sisesein tagab kolvi kleepumiseta liikumise ja kvaliteetsed materjalid kulumiskindlad – ideaalne igapäevaseks pidevaks kasutamiseks ehitus-, põllumajandus- või metallurgiamasinatel.

⚙️ Koostage kvaliteedi- ja rakendusstsenaariumid

K: Milliseid materjale kasutatakse HCIC S64DB-12-135 silindri valmistamiseks ja kui vastupidav see on?

V: Silindri silinder on valmistatud 45# õmblusteta terastorust ning kolvivarras on karastatud ja kroomitud – see kombo on kulumis- ja roostekindel, ideaalne tavapäraseks tööstuslikuks kasutamiseks. Sisesein on lihvitud siledaks, et vältida kolvi kleepumist, ja tööstuslikud tihendid vähendavad õlileket – kõik see annab pikaajalise ja usaldusväärse töö ilma ootamatute riketeta.

K: Milliseid kvaliteediteste läbib silinder HCIC S64DB-12-135 enne saatmist?

V: Iga silinder HCIC S64DB-12-135 läbib enne väljasaatmist 3 ranget testi: rõhukatse (hüdraulikastandarditele vastamiseks), käigukatse (sujuva liikumise tagamiseks) ja tihendikatse (õlilekke vältimiseks). Salvestame kõik katseandmed edaspidiseks kasutamiseks ja me ei tarni kunagi silindrit, mis ei läbi kõiki kolme – pole otseteid, vaid ühtlane kvaliteet.

K: Millistele tööstusvaldkondadele ja masinatele HCIC S64DB-12-135 silinder sobib?

V: See silinder on mitmekülgne ja sobib paljudele tööstusvaldkondadele. See töötab ehitusmasinate (ekskavaatorid, noole-/kopaajamite laadurid), metallurgia- ja kaevandusseadmete (ahjude reguleerimine, purusti etteande juhtimine), põllumajandusmasinate (külvimasinad, harvesterid külvisügavuse reguleerimiseks) ja eriseadmete jaoks (õhutõstukid, prügipressid) – see on kindel jõuallikas igasuguste seadmete jaoks.

K: Kas HCIC S64DB-12-135 silinder töötab hästi rasketes kaevandus- või metallurgiakeskkondades?

V: Jah. Karastatud ja kroomitud kolvivarras on rooste- ja kulumiskindel ning 45# õmblusteta terasest silinder on piisavalt tugev, et tulla toime kaevandus- ja metallurgiakohtade karmides tingimustes. See on mõeldud ahju reguleerimiseks ja purusti etteande juhtimiseks ning see vastab põhilistele välinõuetele – te ei pea muretsema selle rikke pärast, kui seda kõige rohkem vajate.

🛡️ Kohandamise ja koostöö eelised

K: Kas ma saan kohandada HCIC S64DB-12-135 silindrit vastavalt oma erivarustuse vajadustele?

V: Absoluutselt. Kui standardne HCIC S64DB-12-135 ei sobi teie masinale, pakume kohandatud hüdraulikalahendusi. Saame kohandada konstruktsiooni, käiku, paigaldusstiili ja tihendeid vastavalt teie konkreetsetele vajadustele – tehke lihtsalt üks-ühele koostööd meie tehnilise meeskonnaga, et kontrollida teie masina keskkonda, võimsusvajadust ja paigaldusruumi ning me loome teile kohandatud lahenduse.

K: Milline on HCIC S64DB-12-135 silindri kohandatud versiooni hankimise protsess?

V: Kohandatud protsess on lihtne: 1) Esiteks vestleb meie tehniline meeskond teiega ükshaaval, et kinnitada teie vajadusi ja koostada selge vajaduste dokument. 2) Seejärel kohandame silindri tehnilisi andmeid ja saadame teile kinnitamiseks joonised. 3) Kui olete heaks kiitnud, toodame selle (kes ees, see mees) ja saadame selle teie eelistatud meetodil (mere-/õhutransport ülemaailmsetele klientidele). 4) Lõpuks pakume müügijärgset tuge paigaldamiseks ja kasutamiseks.

K: Milliseid eeliseid saan ma, kui tellin HCIC S64DB-12-135 silindri otse teie tehasest?

V: Otse meie HCIC tehasest tellimisel on kaks suurt eelist: esiteks hinnasoodustus – pole vahendajaid, nii et säästate kulusid ja hulgitellimused saavad paremaid allahindlusi. Teiseks väliskaubanduse tugi – pakume mitmekeelseid dokumente, tollikoodeksi näpunäiteid ja abi deklaratsioonipaberitega, nii et piiriülene ostmine sujub. Pakume ka tavalist garantiid ja tasuta remonti/varuosi mitteinimkahjustuste korral.




V. Kohandatud teenused: muutke silindrid endale sobivaks


Erivajadused? Meil on lihtne protsess. Kohandatud hüdraulikalahendused teile.


(1). Vajab vestlust:Meie tehniline meeskond vestleb üks-ühele. Kinnitage oma masina keskkond, energiavajadused ja paigaldusruum. Andke teile selge vajaduste dokument.

(2). Disaini etapp:Reguleerige konstruktsiooni, käiku, kinnitust, tihendeid. Teie vajadustest lähtuvalt. Kinnitamiseks saatke teile joonised.

(3). Tootmine ja tarnimine:Kohandatud tellimused = kes ees, see mees. Tavalised kohandatud mudelid = standardne teostusaeg. Mere-/õhutransport globaalsetele klientidele.

(4). Müügijärgne tugi:Tavaline garantii. Inimkahjustus = tasuta remont/osad. Tehniline vihjeliin = vastab installi-/kasutusküsimustele igal ajal.


double-acting telescopic hydraulic cylinders

VI. Koostöö eelised: lihtsad ülemaailmsed pakkumised


HCIC = professionaalne hüdrosilindrite tehas. Hea koostöö globaalsete klientide jaoks.


• Hinnasoodustus:Tehase otse. Ei mingeid vahendajaid. Säästa kulusid. Hulgitellimused = paremad allahindlused.

• Väliskaubanduse tugi:Mitmekeelsed dokumendid. Tolliseadustiku näpunäited. Abi deklaratsiooni paberitega. Piiriülene ostmine = sujuv.


VII.Võtke meiega ühendust:

HCIC on professionaalne hüdraulikatootja, kes tegeleb peamiselt hüdraulikasüsteemide projekteerimise, tootmise, paigaldamise, ümberkujundamise, kasutuselevõtu ja hüdraulikakomponentide kaubamärgimüügi ja tehniliste teenustega. Loodame, et meie toode aitab säästa teie kulusid ja parandada teie kvaliteeti.Lisateabe saamiseks saatke meile e-kiri "davidsong@mail.huachen.cc" või otsige Google'ist "HCIC hydraulic"


Kuumad sildid: S64DB-12-135, Tootjad, tarnijad, hulgimüük, kohandatud, laos, müügiloa saanud veok, Hiina, lumesahk
X
Kasutame küpsiseid, et pakkuda teile paremat sirvimiskogemust, analüüsida saidi liiklust ja isikupärastada sisu. Seda saiti kasutades nõustute meie küpsiste kasutamisega. Privaatsuspoliitika
Keeldu Nõustu